Que no te engañen, todo está cambiado –aunque nosotros aún no sabemos si a mejor a peor- en la industria del automóvil. El que varios países estén tomando medidas en contra de la contaminación repercute de un modo impactante en el mercado. A finales de enero os mostramos el Ford F-150 Raptor, un modelo que fue presentado en el Salón de Detroit y que sinceramente, nos sorprendió.
La pérdida de peso de más de 225 kg unida a una bajada de cilindrada que ha ido de los 6.2 a los 3.5 litros nos dejaron simplemente estupefactos. En cierto modo la bajada de la cilindrada no afectó a la potencia ya que el modelo ha pasado de tener 416 a 450 cv pero sí que ha cambiado claramente el panorama.
En ese momento ya os hablamos sobre una caja de cambios asociada a esta motorización. Se trataba de una transmisión automática de 10 velocidades diseñada para mejorar la eficiencia y que iba emparejada a un sistema de tracción a las cuatro ruedas combinado con otra novedad llamada Terrain Management System ™. Un invento que permite al conductor seleccionar entre varios modos con el fin de optimizar la dinámica de conducción y adaptarse a las condiciones del terreno.
Todo se había quedado parado hasta que recientemente hemos conocido una interesante noticia relacionada con una patente de Ford Global Technologies que nos habla vagamente sobre una transmisión automática de 11 velocidades.
Como lo oyes, 11… Sí, ya sé que hay fabricante como Volkswagen que ya están trabajando en ello, pero, ¿de verdad hacen falta tantas velocidades?
Bueno, los entendidos en mecánica saben que los camiones cuentan con una cantidad considerable de marchas, sin embargo, estas han sido desarrolladas para dar el par necesario en cada fase de aceleración y carga con fin de que las decenas de toneladas se terminen moviendo con relativa soltura por las carreteras y no se queden tirados a la mínima de cambio.
La respuesta de la marca es clara, seguir innovado y bajando los consumos…
De acuerdo con la Oficina de Patentes y Marcas de los Estados Unidos, la marca del óvalo azul presentó la patente el 4 de octubre de 2013. Después de una cuidadosa inspección y evaluación, la USPTO publicó el documento de patente el pasado 9 de abril de 2015.
En declaraciones a AutoGuide, el portavoz de Ford, Paul Seredynski fue bastante reservado con los detalles y aunque no ha podido desmentir la evidencia, sí que ha comentado que la marca presenta decenas de patentes de forma anual y muchas de ellas no terminan de ver la luz en la vida.
La presentación de patentes ayuda a proteger las nuevas ideas pero no indica necesariamente futuros planes de negocio o de productos.
Pero, ¿de verdad una velocidad más va a bajar tanto el consumo?. La verdad es que no, y menos partiendo de las 10 velocidades –si todavía me dices de 5 a 6, el cambio es notable, aunque a las velocidades a las que se puede circular hoy en día, la sexta en determinadas motorizaciones es hasta contraproducente-.
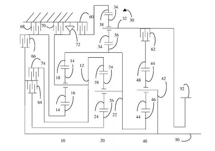
La patente de Ford mostraba una transmisión que produce once relaciones hacia delante y una relación inversa mediante el acoplamiento selectivo de tres elementos de cambio en diversas combinaciones.
Para empezar, una parte incluye cuatro conjuntos de engranajes planetarios simples y cuatro embragues. Otra de las partes incluye un árbol de engranajes planetarios conjuntos y cuatro embragues. Cada una de estas partes puede incluir uno o más frenos. Una tercera y última parte está completas por cuatro conjuntos de engranajes planetarios simples, y dos embragues.
¿Son necesarias tantas velocidades en una caja de cambios?
De acuerdo con la última información publicada este año por Auto Express, BMW ha anunciado no está trabajando en agregar un mayor número de engranajes a sus cajas de cambios. ¿Curioso?, pues mira la explicación…
Un directivo de BMW, Klaus Frolich dijo a Auto Express que no hay necesidad de una caja de cambios de nueve velocidades y mucho menos una transmisión automática de diez velocidades, porque los beneficios de estas sobre el consumo y las emisiones son prácticamente nulos.
Frolich también comentó que una caja de cambios con más engranajes aumenta la complejidad mecánica de la misma, el peso y el coste de producción por lo que no hay realmente ninguna necesidad manifiesta de lanzar una caja con más de 8 velocidades.
Según BMW, la diferencia existente entre una caja de 6 velocidades y una de 7 u 8 se cifra entorno al 7% / 8% pero que la diferencia de eficiencia existente entre las actuales y una de más engranajes no aumentaría este porcentaje.
Frolich también ha confirmado que BMW seguirá ofreciendo cajas manuales en sus modelos de calle y en sus variantes M pese a que esto suponga – en algunos modelos minoritarios – un coste de desarrollo mayor.
Personalmente, creo que en la actualidad, la caja de cambios de 8 velocidades que tiene BMW en su gama, es quizá la mejor del mercado junto con la PDK de Porsche, sin embargo, ya se sabe, sólo hace falta que la ampliación en las marchas la lleve a cabo un fabricante, para que el resto lo copie…
En fin… ¿tú como ves eso de tanta velocidad y tanto embrague?

Un variador asistido, un solo embrague y un buen mapa y tienes todas las relaciones de cambio de quieras.
Creo que ya hay uno por ahí que se llama lineartronic…
Son ganas de complicar la vida al personal!!
Por eso en competición se usa el doble embrague desde hace décadas. Dedicate a otra cosa por que la ingeniería ni la mecánica es lo tuyo y si no prueba el DSG es una maravilla sin saltos ni lapsos entre marchas
sera como jugar al gran theft auto san andreas cuando conducias, marchas infinitas
Pero aqui hay carretera para tantas marchas??…. Bueno carreteras hay… No pases de 120…
Supongo que a la hora del consumo el motor irá más desahogado, ahora bien con tantas velocidades necesitará mas velocidad para desarrollarlas y eso aqui solo se puede hasta 120, una pena..
Jose Antonio Garcias Montoya
Yo no compre un 335d ni por consumo ni por emisiones, sino por chasis línea empuje… A más marchas menos sensaciones creo yo (hasta siete vale, más …. )Y si el coste del desarrollo repercute en el precio del vehículo y no mejora sensaciones y ni apenas eficiencia pues para qué??? Es como las gilettes, ya van por 5 cuchillas, cuantas más mejor???
Muy cierto 😉
Yo tengo el 318d automático (que se parecerá como un huevo a una castaña al tuyo) pero la caja automática de BMW zf8 va muy suave y se puede hacer secuencial, creo que todo depende de lo que quieras del coche.
Yo pienso que si. Se acortan los desarrollos y se mejoran las prestaciones y los consumos.
A partir de ahora coger las rotondas en quinta!
La primera para salir y pasar de inmediato a segunda la tercera parking…. La cuarta es como la segunda y la quinta-tercera….
salvo que sea en un automatico no veo pa que sirve….cuando quieras llegar a la 11 has llegado a tu destino jajaja
Los Alemanes piensan en las Autobahn no en Españistan
Yo en octubre voy a Alemania a poner el 335d a tope sin riesgo de perder el carnet.;-)
estais flipando con las carreteras alemanas y creo que las conoceis poco…al menos correr cuando os lo permitan.
Yo nunca pongo la sexta en el mío pues a 120 no llega ni a 2.000 rpm. Y quizás ahorres 0,1 litro a los 100 pero te cargas el motor en 3, 2, 1
Se soluciona fácil, detector de radares, y pisarle 😉
Eso es que tu sexta es muy larga. La mía esta bien escalonada
Si es larga la condenada y el motor tampoco anda sobrado de par así que apuesto por la fiabilidad del motor. El antiradar ya lo tuve en su época, ahora apuesto por la seguridad y economía pues hago muchos kms. Y el coche tiene que durar mucho y más
7 ya son muchas! Y 5 en motores flojillos pueden resultar pocas! Pero lo mas importante no son ni las marchas ni los caballitos del motor, sino el burro que conduce la máquina!
Yo no quiero estar cerca cuando eso diga a romperse…
Ya mismo los coches en cajas de cambios automáticos adelantan a los camiones, no creo que sea necesario y lo máximo que le pondría yo sería 7 y pensándolo bien.
Mas marchas mo es igual a mas velocidad… Sino los F1 tendrian 22…